規格表
| 說明 | 備註 | |
| 電源裝置 | AC 110V或AC 220V 50/60Hz | 其他規格亦可訂製 |
| 預備電源 | DC 24V密閉式蓄電池 | |
| 回路電壓·電流 | DC 24V短路電壓5V 30mA以下 | |
| 外線抗阻 | 往返50Ω以下 | |
| 熱探測器裝設數 | 無數量限制,視設計需要 | 有內阻(電子式)除外 |
| 煙探測器裝設數 | 每回路30只 | 本廠產品 |
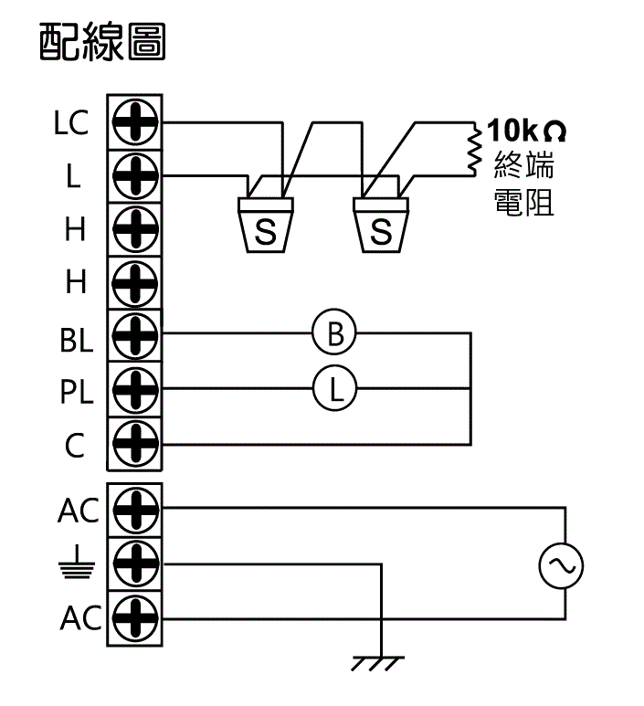
| 終端電阻 | 10KΩ | 每回路1只 |
| 機身材質 | 1.2mm鋼板 | |
| 烤漆 | 米白色精美烤漆 | 亦可訂製其他顏色 |
| 說明 | 備註 | |
| 電源裝置 | AC 110V或AC 220V 50/60Hz | 其他規格亦可訂製 |
| 預備電源 | DC 24V密閉式蓄電池 | |
| 回路電壓·電流 | DC 24V短路電壓5V 30mA以下 | |
| 外線抗阻 | 往返50Ω以下 | |
| 熱探測器裝設數 | 無數量限制,視設計需要 | 有內阻(電子式)除外 |
| 煙探測器裝設數 | 每回路30只 | 本廠產品 |
| 終端電阻 | 10KΩ | 每回路1只 |
| 機身材質 | 1.2mm鋼板 | |
| 烤漆 | 米白色精美烤漆 | 亦可訂製其他顏色 |